Hi ,
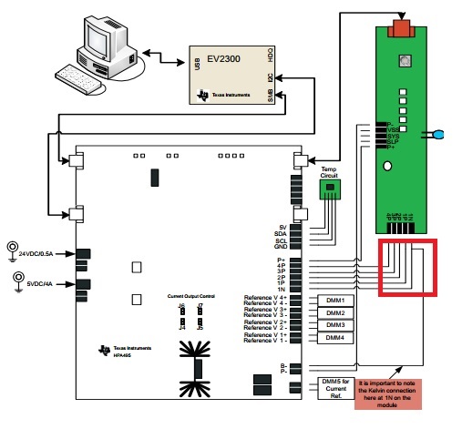
We have build a JIG HPA495+EV2300 setup with BQ20Z90 and the connection is follow as per below picture.The question is that we are taking a few production board run with (bqMultiStationTester), we found out a problem that the error code prompt out is 65616(65614) ,but the board we had program sometimes can pass sometimes failed. Please help to advice on this issue.
Thanks.
Regards,
Loon
